联系人:薛经理
销售电话:15610432370
销售QQ:1379335561
公司地址:山东省潍坊市高新区光电路155号光电产业加速器(一期)
15610432370
PRODUCT CENTER
联系人:薛经理
销售电话:15610432370
销售QQ:1379335561
公司地址:山东省潍坊市高新区光电路155号光电产业加速器(一期)

【产品简介】一、土壤温湿度传感器技术指标1.供电:DC12V2.功耗:小于0.1W3.工作温度:-30~70℃4.通信接口:RS4855.工作电流:8mA DC12V6.最短数据间隔:60S二···
一、土壤温湿度传感器技术指标
1.供电:DC12V
2.功耗:小于0.1W
3.工作温度:-30~70℃
4.通信接口:RS485
5.工作电流:8mA DC12V
6.最短数据间隔:60S
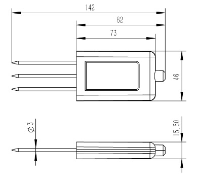
二、土壤温湿度传感器产品尺寸图

三、土壤温湿度传感器使用注意事项
1.传感器安装应严格按照安装使用说明书进行。
2.多个传感器同时工作时,必须间隔5米以上距离。
3.传感器测量原理限制,传感器测量地为中心半径5米范围内不应有电磁线缆和强磁辐射干扰,
避免造成传感器测量的巨大误差和损坏。
4.传感器的安装环境应该符合传感器的测量范围,避免超量程等不规范行为。
5.传感器安装应避开强酸强碱、重油污重金属环境进行。
6.传感器为土壤测量传感器,禁止将本传感器对其他行为。
7.传感器安装环境不能有强振动。
8.传感器不能有过强外力作用。
9.禁止拆卸,私自拆卸将不提供任何服务。
10.传感器探针较为锋利,使用时应按规定注意佩戴护具。
11.设备使用和维护应严格按照上述注意事项进行,如有违规使用的行为,本司不承担相关负责。
四、土壤温湿度传感器传感器参数
| 参数 | 测量范围 | 精度 | 分辨率 | 单位 |
| 土壤温度 | -30~70℃ | ±0.3(-10~50℃) | 0.01 | ℃ |
| 土壤含水率 | 0~100% | ±3%(壤土)高有机质土壤(土壤有机碳含量>12%)高粘粒含量土壤(粘粒含量>45%)由于其介电弛豫特性,可能需要针对特定土壤类型进行标定 | 0.01% | --- |
微气象仪是专门用于测量微小尺度范围内气象要素的仪器,致力于捕捉特定局部环境中的精确气候条件。
便携式气象站是现代气象监测技术的重要成果。这种集成了多种传感器的设备能够实时采集温度、湿度、气压、风···
校园气象站是由学校设立的小型气象观测设施。它通常安装在操场或教学楼顶等开阔场地,用于监测校园及周边区···
雨量监测站是现代水文气象观测网络的关键组成。其核心任务是精准、自动地测量自然界的降水数据。这些数据是···
