联系人:薛经理
销售电话:15610432370
销售QQ:1379335561
公司地址:山东省潍坊市高新区光电路155号光电产业加速器(一期)
15610432370
PRODUCT CENTER
联系人:薛经理
销售电话:15610432370
销售QQ:1379335561
公司地址:山东省潍坊市高新区光电路155号光电产业加速器(一期)





【产品简介】一、漂浮式水质自动监测站功能简介1.漂浮式水质自动监测站SFA集数据采集、存储、传输和管理于一体的无人值守的采集系统。它在工农业生产、旅游、城市环境监测、地质灾害、防洪、供水调度、···
一、漂浮式水质自动监测站功能简介
1.漂浮式水质自动监测站SFA集数据采集、存储、传输和管理于一体的无人值守的采集系统。它在工农业生产、旅游、城市环境监测、地质灾害、防洪、供水调度、电站水库水情管理等为目的水文自动测报系统;功能强大的上位机软件可远程观测实时水雨情信息,具有数据库、报表、下载等功能,用户还可利用该功能完善的气象软件对记录的数据作进一步的处理分析。
2.SFA05款浮标是由水质传感器(水温、电导率、PH、溶解氧、氨氮)、数据采集仪、通讯系统、供电系统、整体支架、水质监测平台六部分组成。同时可扩展 浊度、COD、叶绿素等多项水质要素。数据采集仪具有数据采集、实时时钟、数据定时存储、参数设定和标准2G/4G(GPRS)通信功能。
二、漂浮式水质自动监测站产品特点
1.易部署:各类型探头进行高度集成,安装方便;提供免费云平台服务,系统快速上线;
2.易维护:设备安装后,自行工作即可,无需人工值守,也可以通过远程监控的方式保障设备的正常运行;
3.易扩展:传感器探头均使用统一的通信协议,可以快速对接原设备,快速扩展监测参数;
4.低功耗:设备可以实现低功耗状态下,长时间运行,增加设备使用的便利性;
5.实时性:设备监测到的数据实时传输至云平台,提升环境数据反馈的及时性。
三、漂浮式水质自动监测站技术参数
1.主体参数
| 产品名称 | 描述 |
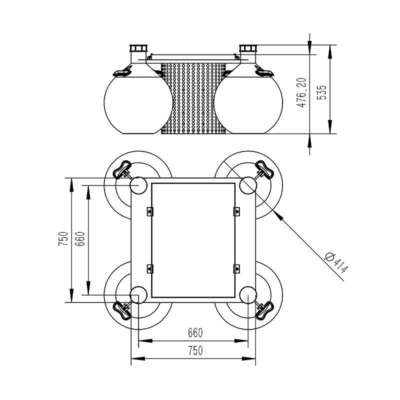
| 漂浮式水质自动监测站 | 可实时实现多路参数在线监测。 可实现电池电量监控。 可实现云平台数据监控、数据推送、 数据的存储和报警功能;数据的无线发射功能。 峰值功耗为5W;传感器功耗0.25W左右/只。 外形尺寸:750mm*750mm*535mm。浮球直径414mm 重量:22kg |
| 采集器数据采集 | 运行可靠,抗干扰,可集成多路RS485/MODBUS-RTU从站设备 |
| 采集器数据输出 | 1路Rs485/JSON协议输出 |
| 电池 | 锂电池12VDC,20AH(默认) |
| 太阳能电池板 | 22.1V/50W(默认) |
| 供电能力 | 定制选型;阴雨天间歇工作5天以上 |
| 位置指示(选配) | 警示灯;GPS 定位; |
| 监测平台 | 云平台;手机/电脑多终端登录 |
| 防护罩 | 304不锈钢滤筒防护罩 |
| 浮体 | 直径414mm,球形浮体*4工程塑料 |
2.可选配传感器的主要参数
| 序号 | 名称 | 测量范围 | 测量原理 | 测量精度 | 是否标配 | 备注 |
| 1 | 温度 | 0~50℃ | 高精度数字传感器 | ±0.3℃ | ✔ | |
| 2 | pH | 0~14(ph) | 电化学(盐桥) | ±0.1PH | ✔ | |
| 3 | ORP | -1500mv~1500mv | 电化学(盐桥) | ±6mv | ||
| 4 | 电导率 | 0~5000uS/cm | 接触式电极法 | ±1.5% | ✔ | |
| 5 | 浊度 | 0~40NTU(低浊) | 散射光法 | ±1% | 低浊可定制 | |
| 0~1000NTU(中浊) | 散射光法 | ±1% | 中浊可定制 | |||
| 0~3000NTU(高浊) | 散射光法 | ±1% | 默认发 | |||
| 6 | 溶解氧 | 0~20mg/L | 荧光寿命法 | ±2% | ✔ | |
| 7 | 氨氮 | 0-1000.00mg/L(默认) 0-100.00mg/l/(可定制) | 离子选择电极法 | 读数的10%, ±0.5℃ | ✔ | |
| 8 | cod | 0~500mg/ L | UV254 吸收法 | ±5% | 默认发、cod浊度一体 | |
| 浊度 | 0~400NTU | 散射光法 | ±1% | |||
| 9 | 悬浮物 | 0~2000mg/L | 散射光法 | ±5%(取决于污泥同质性) | ||
| 10 | 叶绿素 | 0~400ug/L | 荧光法 | R2>0.999 |
四、漂浮式水质自动监测站产品尺寸图

五、漂浮式水质自动监测站设备安装要求
1.远离大功率无线电发射源
2.远离高压输电线和微波无线电传送通道
3.尽量靠近数据传输网络
4.远离强电磁干扰
六、漂浮式水质自动监测站云平台介绍
1.CS架构软件平台,支持手机、PC浏览器直接观测.无需额外安装软件。
2.支持多帐号、多设备登录
3.支持实时数据展示与历史数据展示仪表板
4.云服务器.云数据存储,稳定可靠,易于扩展,负载均衡。
5.支持短信报警及阈值设置
6.支持地图显示、查看设备信息。
7.支持数据曲线分析
8.支持数据导出表格形式
9.支持数据转发,HJ-212协议,TCP转发,http协议等。
10.支持数据后处理功能
11.支持外置运行javascript脚本















校园气象站是由学校设立的小型气象观测设施。它通常安装在操场或教学楼顶等开阔场地,用于监测校园及周边区···
车载气象站是一种安装在移动车辆上的气象观测设备。它能够实时采集所处位置的温度、湿度、气压、风速和风向···
雨量监测站是现代水文气象观测网络的关键组成。其核心任务是精准、自动地测量自然界的降水数据。这些数据是···
便携式气象站是现代气象监测技术的重要成果。这种集成了多种传感器的设备能够实时采集温度、湿度、气压、风···
