联系人:薛经理
销售电话:15610432370
销售QQ:1379335561
公司地址:山东省潍坊市高新区光电路155号光电产业加速器(一期)
15610432370
PRODUCT CENTER
联系人:薛经理
销售电话:15610432370
销售QQ:1379335561
公司地址:山东省潍坊市高新区光电路155号光电产业加速器(一期)





【产品简介】一、温湿度大气压噪声传感器产品简介山东天穹智能科技有限公司作为专业研发生产气象传感器的企业,一直致力于气象传感器和气象环境解决方案推广应用。具有完整的生产链、实力雄厚的技术团队和全···
一、温湿度大气压噪声传感器产品简介
山东天穹智能科技有限公司作为专业研发生产气象传感器的企业,一直致力于气象传感器和气象环境解决方案推广应用。具有完整的生产链、实力雄厚的技术团队和全面的营销团队,我们研发生产的传感器已广泛应用到智慧农业、气象监测、城市环境监测、风力发电、航海船舶、航空机场、桥梁隧道等领域,客户遍布全国各地,并取得了良好的社会效益和经济效益。
二、温湿度大气压噪声传感器产品特点
1、抗干扰能力强,具有看门狗电路,自动复位功能,保证系统稳定运行
2、高集成度,无移动部件,零磨损
3、免维护,无需现场校准
4、采用ASA工程塑料室外应用常年不变色
5、产品设计输出信号标配为RS485通讯接口(MODBUS协议);可选配232、USB、以太网接口,支持数据实时读取☆
6、可选配无线传输模块,最小传输间隔1分钟
三、温湿度大气压噪声传感器技术参数
1、空气温度:-40-60℃(±0.3℃);(北京市气象局校准证书)
2、空气湿度:0-100%RH(±3%RH);(北京市气象局校准证书)
3、大气压力:300-1100hpa(±0.25%);(北京市气象局校准证书)
4、噪声:30-120dB(±1.5dB)
5、功率:0.12W
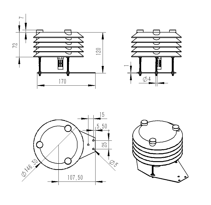
四、温湿度大气压噪声传感器产品尺寸图

五、温湿度大气压噪声传感器产品结构图








便携式气象站是现代气象监测技术的重要成果。这种集成了多种传感器的设备能够实时采集温度、湿度、气压、风···
雨量监测站是现代水文气象观测网络的关键组成。其核心任务是精准、自动地测量自然界的降水数据。这些数据是···
手持气象站正逐渐走进户外工作与日常生活的视野。这种便携设备将传统气象观测的复杂系统浓缩于掌心大小,通···
农业气象站是现代农业生产的重要技术装备,它通过集成多种传感器,持续采集田间小气候数据。
